Thước đo lỗ điện tử ABSOLUTE, Series 511
Thước đo lỗ điện tử, Absolute, Series 511
Thông tin cơ bản
Thước đo lỗ 45-100mm Mitutoyo 511-501
Thước đo lỗ 100-160mm Mitutoyo 511-502
Dùng để đo đường kính các lỗ...
Độ chính xác cao, đầu nhọn tiếp xúc được phủ carbide chống mài mòn.
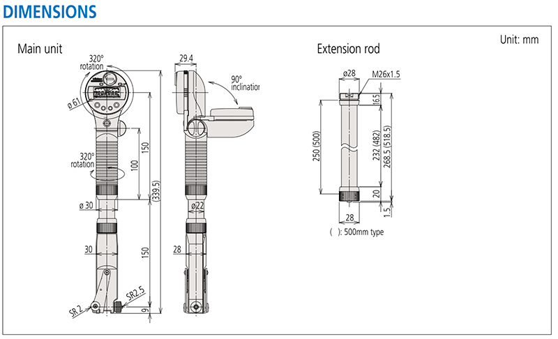
Có thể đo lỗ sâu 2m nếu sử dụng thêm 4 thanh nối (250mm hoặc 500mm).
Bao đựng, thanh nối và tấm bảo vệ mặt đồng hồ (tùy chọn).
Màn hình hiển thị kết quả đo có thể xoay 320 độ và hướng dọc 90 độ.
Thước đo lỗ 100-160mm Mitutoyo 511-502
Dùng để đo đường kính các lỗ...
Độ chính xác cao, đầu nhọn tiếp xúc được phủ carbide chống mài mòn.
Có thể đo lỗ sâu 2m nếu sử dụng thêm 4 thanh nối (250mm hoặc 500mm).
Bao đựng, thanh nối và tấm bảo vệ mặt đồng hồ (tùy chọn).
Màn hình hiển thị kết quả đo có thể xoay 320 độ và hướng dọc 90 độ.
Tải về
Thông tin sản phẩm
Thuoc do lo dien tu mitutoyo man hinh xoay, do chia 0.001mm khoang do 45-100mm 511-501, khoang do 100-160mm 511-502.

|
Mã đặt hàng |
Phạm vi đo |
Độ chia |
Hành trình đầu đo |
Độ sâu thăm dò |
Số lượng đầu đo thay thế |
|
511-501 |
45-100mm |
0.001mm |
1.2mm |
150mm |
12 cái, gồm các khoảng dài: 45mm, 50mm, 55mm, 60mm 65mm, 70mm, 75mm, 80mm 85mm, 90mm, 95mm, 100mm |
|
511-502 |
100-160mm |
0.001mm |
1.2mm |
150mm |
13 cái, gồm các khoảng dài: 100mm, 105mm, 110mm, 115mm 120mm, 125mm, 130mm, 135mm 140mm, 145mm, 150mm, 155mm, 160mm |
Xem tiếp
Panme đo lỗ 2 chấu/3 chấu, Loại điện tử Series 468
Panme đo lỗ 2 chấu/ 3 chấu, Loại cơ Series 368
Thước đo lỗ điện tử Series 568
Panme đo trong Series 133, loại cơ
Đo trong có trục mở rộng, Series 137, 337
Panme đo trong, Series 139, 339, 140
Panme đo trong caliper, Series 345, 145
Thước đo lỗ nhỏ - Bore gage, Series 526
Đế thước đo lỗ nhỏ, Series 215
Thước đo lỗ nhỏ, Series 511
Thước đo lỗ - Bore Gage, Series 511
Thước đo lỗ loại chân ngắn, Series 511
Thước đo lỗ đầu panme, Series 511
Thước đo lỗ không suốt, Series 511
Vòng chuẩn cho Panme đo trong, đo lỗ




