Thước đo lỗ nhỏ - Small Hole Bore Gage, Series 511
Thước đo lỗ nhỏ, Series 511
Thông tin cơ bản
Thước đo lỗ 6-10mm Mitutoyo 511-209
Thước đo lỗ 6-10mm Mitutoyo 511-210
Thước đo lỗ 6-10mm Mitutoyo 511-211
Thước đo lỗ 10-18.5mm Mitutoyo 511-201
Thước đo lỗ 10-18.5mm Mitutoyo 511-203
Thước đo lỗ 10-18.5mm Mitutoyo 511-204
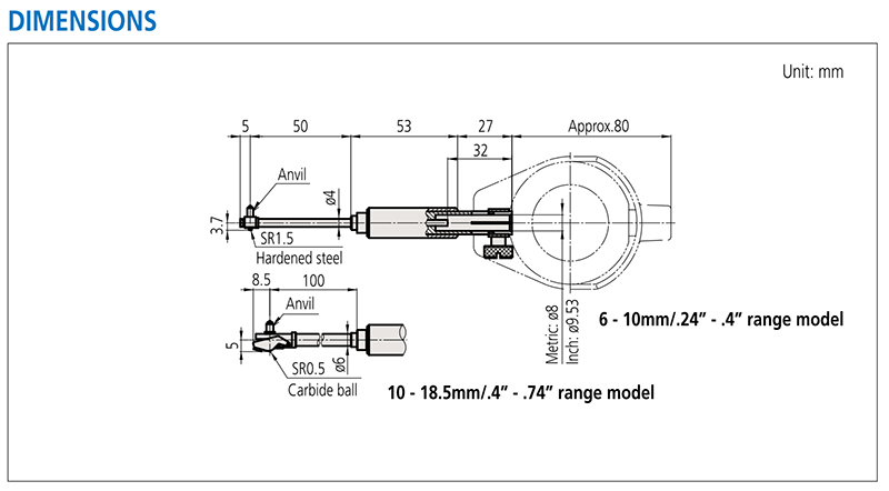
Dùng để đo đường kính các lỗ nhỏ...
Đầu nhọn tiếp xúc có thể thay đổi được.
Độ chính xác cao, đầu nhọn tiếp xúc được phủ carbide chống mài mòn.
Bao đựng và tấm bảo vệ mặt đồng hồ (tùy chọn)
Thước đo lỗ 6-10mm Mitutoyo 511-210
Thước đo lỗ 6-10mm Mitutoyo 511-211
Thước đo lỗ 10-18.5mm Mitutoyo 511-201
Thước đo lỗ 10-18.5mm Mitutoyo 511-203
Thước đo lỗ 10-18.5mm Mitutoyo 511-204
Dùng để đo đường kính các lỗ nhỏ...
Đầu nhọn tiếp xúc có thể thay đổi được.
Độ chính xác cao, đầu nhọn tiếp xúc được phủ carbide chống mài mòn.
Bao đựng và tấm bảo vệ mặt đồng hồ (tùy chọn)
Tải về
Thông tin sản phẩm
Thuoc do lo nho loai dong ho mitutoyo 6-10mm 511-209, 511-210, 511-211, khoang do 10-18.5mm 511-201, 511-203, 511-204 xuat xu Nhat Ban

|
Mã đặt hàng |
Phạm vi đo |
Độ sâu thăm dò |
Thước đo lỗ |
Ghi chú |
|
* Bộ KHÔNG có đồng hồ so + vỏ bảo vệ |
||||
|
511-209 |
6-10mm |
50mm |
- |
Không kèm theo vòng chuẩn |
|
511-201 |
10-18.5mm |
100mm |
- |
Không kèm theo vòng chuẩn |
|
* Bộ CÓ kèm theo đồng hồ so 1mm 2109SB-10 (0.001mm) + vỏ bảo vệ |
||||
|
511-210 |
6-10mm |
50mm |
511-209 |
Không kèm theo vòng chuẩn |
|
511-203 |
10-18.5mm |
100mm |
511-201 |
Không kèm theo vòng chuẩn |
|
* Bô CÓ kèm theo đồng hồ so 10mm 2046SB (0.01mm) + vỏ bảo vệ |
||||
|
511-211 |
6-10mm |
50mm |
511-209 |
Không kèm theo vòng chuẩn |
|
511-204 |
10-18.5mm |
100mm |
511-201 |
Không kèm theo vòng chuẩn |
Xem tiếp
Panme đo lỗ 2 chấu/3 chấu, Loại điện tử Series 468
Panme đo lỗ 2 chấu/ 3 chấu, Loại cơ Series 368
Thước đo lỗ điện tử Series 568
Panme đo trong Series 133, loại cơ
Đo trong có trục mở rộng, Series 137, 337
Panme đo trong, Series 139, 339, 140
Panme đo trong caliper, Series 345, 145
Thước đo lỗ nhỏ - Bore gage, Series 526
Đế thước đo lỗ nhỏ, Series 215
Thước đo lỗ - Bore Gage, Series 511
Thước đo lỗ loại chân ngắn, Series 511
Thước đo lỗ đầu panme, Series 511
Thước đo lỗ không suốt, Series 511
Thước đo lỗ điện tử, Absolute, Series 511
Vòng chuẩn cho Panme đo trong, đo lỗ




